OTL功率放大器,即无输出变压器功率放大器,是一种特殊的功率放大电路形式。与传统的变压器耦合功率放大电路相比,OTL电路省去了输出变压器,从而提高了效率并简化了电路设计。OTL电路的核心在于其输出级的设计,通过采用推挽式结构,由两个互补的对称输出级组成,分别负责正负半周的信号放大。每个输出级由一个共射极放大器和一个共集电极放大器构成,其中共射极放大器提供信号增益,共集电极放大器则提供电流放大。这种互补对称的设计使得OTL功率放大器能够有效地将信号放大并输出到负载,同时避免了单端放大器存在的信号失真问题。

OTL功率放大器的结构特点
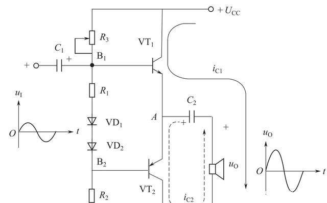
OTL功率放大器的结构相对简单,主要由输入耦合电容、晶体管、偏置电阻、负载电阻等元件构成。其中,晶体管是核心元件,负责信号的放大和驱动。高效率的OTL电路通常采用直接耦合方式,避免了变压器耦合带来的能量损失,从而提高了效率。此外,OTL电路还可以根据供电方式的不同分为正负双电源式和单电源供电方式。在正负双电源式OTL功放中,中心为地电位,可以保证推挽电路的对称性,从而省略输出电容,使功放的频率响应特性更佳。而在单电源式OTL电路中,为了使两只推挽管具有相同的工作电压,必须使中心点的工作电压等于电源电压的一半,同时输出电容的容量必须足够大,以不影响输出阻抗与低频响应的要求。
OTL功率放大器的性能参数
OTL功率放大器的性能参数主要包括频率特性、增益、效率等。频率特性反映了放大器对不同频率信号的放大能力,是衡量放大器性能的重要指标。增益则是指放大器输出电压与输入电压之比,通常用dB表示。OTL功率放大器的电压增益通常可达10-20dB,而功率增益则是衡量放大器放大信号功率能力的重要指标。此外,效率也是OTL功率放大器的重要性能参数之一,其高效率特性使得OTL电路在多种电子设备中得到了广泛应用。
OTL功率放大器的应用场景
OTL功率放大器在音频放大器中的应用非常普遍,特别是在高保真音响系统中。由于省去了昂贵的输出变压器,OTL电路设计更加简洁,同时保持了良好的音质表现。其小体积、低成本和宽频响等优点,使其在音频设备中备受青睐。此外,OTL电路还适用于耳机放大器,能够提供清晰、纯净的音质,满足用户对音质的高要求。在无线通信设备中,如手机、无线电等,OTL电路因其高效率特性,可以提高设备的续航能力。在这些设备中,OTL电路作为功率放大器,有助于信号的稳定传输和接收。在电源转换器领域,如开关电源、逆变器等,OTL电路的高效率特性可以提高电源转换的效率,减少能源浪费。
OTL功率放大器的技术挑战与解决方案
尽管OTL功率放大器具有诸多优点,但其设计相对复杂,成本较高,且对元器件的质量和散热性能有一定要求。因此,在选择是否使用OTL电路时,需要根据具体的应用场景和需求进行权衡。为了克服这些技术挑战,研究者们不断探索新的解决方案。例如,通过采用新型功率电子管和优化偏置电路设计,可以提高OTL功率放大器的性能和稳定性。同时,随着半导体技术的不断发展,新型半导体材料的应用也为OTL功率放大器的性能提升提供了新的可能。
OTL功率放大器以其高效率、低失真和简洁的电路设计,在音频放大器、无线通信设备和电源转换器等领域有着广泛的应用前景。随着技术的不断进步和创新,OTL功率放大器的性能和稳定性将不断提升,以满足更多领域的需求。未来,我们有理由相信,OTL功率放大器将在更多领域发挥重要作用,为电子技术的发展贡献更多力量。
免责声明:文章内容来自互联网,本站不对其真实性负责,也不承担任何法律责任,如有侵权等情况,请与本站联系删除。
转载请注明出处:OTL功率放大器的原理与应用 https://www.yhzz.com.cn/a/24139.html