一、MOS管驱动电路的核心作用

MOS管(金属-氧化物半导体场效应晶体管)的开关性能取决于栅极电压的快速充放电能力。驱动电路的核心任务包括:
- 快速导通/关断:减少开关损耗,提高效率。
- 电压匹配:提供足够的栅极驱动电压(如12-15V)。
- 抗干扰:防止寄生导通或电压尖峰损坏器件。
二、常见MOS管驱动电路类型及原理
1. 直接驱动电路
- 结构:
- 由MCU或逻辑门直接连接MOS管栅极,通过电阻限流。
- 原理:
- 利用微控制器的GPIO输出高/低电平控制MOS管导通或关断。
- 优点:
- 成本低,适用于低频、小电流场景(如LED开关控制)。
- 缺点:
- 驱动能力弱,开关速度慢(受限于GPIO电流);
- 无法驱动高压MOS管(如>30V)。
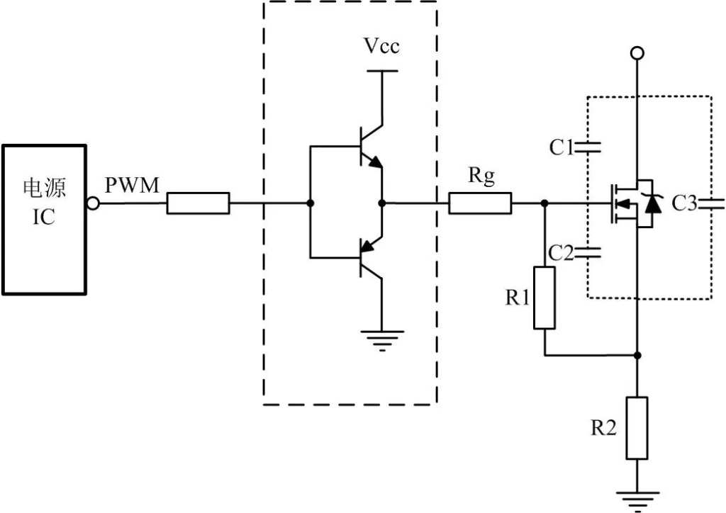
2. 推挽驱动电路
- 结构:
- 由NPN和PNP三极管组成互补对称结构,或使用集成推挽芯片(如ULN2003)。
- 原理:
- 导通阶段:NPN管导通,快速给栅极电容充电;
- 关断阶段:PNP管导通,快速释放栅极电荷。
- 优点:
- 驱动能力强,支持高频开关(如100kHz以上);
- 可驱动中功率MOS管(如电机控制)。
- 缺点:
- 需双电源供电(部分电路需负压关断);
- 分立元件占用PCB面积大。
3. 专用栅极驱动芯片
- 典型型号:IR2110(半桥驱动)、TC4420(高速驱动)。
- 原理:
- 内部集成电平转换、死区控制和电流放大模块,直接输出高/低侧驱动信号。
- 优点:
- 支持高压(如600V)、高速(纳秒级上升时间);
- 集成保护功能(欠压锁定、过流检测)。
- 缺点:
- 成本较高;
- 需外接自举电容或隔离电源。
4. 隔离驱动电路
- 结构:
- 通过光耦(如PC817)或变压器实现驱动信号与功率电路的电气隔离。
- 原理:
- 光耦隔离:输入信号控制LED发光,光敏晶体管输出驱动信号;
- 变压器隔离:利用脉冲变压器传递驱动能量。
- 优点:
- 抗共模干扰能力强,适用于高压系统(如逆变器、电源模块);
- 保护控制端免受功率侧浪涌损坏。
- 缺点:
- 光耦速度较慢(通常<1MHz);
- 变压器设计复杂,体积较大。
5. 半桥/全桥驱动电路
- 结构:
- 针对上下管串联的半桥或全桥拓扑(如H桥电机驱动),集成高低侧驱动逻辑。
- 原理:
- 通过自举电路或隔离电源为高侧驱动供电;
- 控制死区时间防止上下管直通。
- 优点:
- 支持同步开关,效率高;
- 适用于大功率场景(如电动汽车电机控制器)。
- 缺点:
- 需复杂的外围电路(如自举二极管、电容);
- 调试难度大。
三、关键参数对比
| 参数 | 直接驱动 | 推挽驱动 | 专用芯片 | 隔离驱动 | 半桥驱动 |
|---|---|---|---|---|---|
| 驱动电流 | 10-50mA | 100-500mA | 2-4A | 50-200mA | 2-5A |
| 开关频率 | ≤100kHz | ≤500kHz | ≤2MHz | ≤200kHz | ≤1MHz |
| 隔离电压 | 无 | 无 | 无 | 1-5kV | 无 |
| 成本 | $0.1 | $0.5 | $1-5 | $2-10 | $5-20 |
| 适用场景 | 小功率 | 中功率 | 高频/高压 | 高噪声 | 大功率 |
四、选型场景指南
- 低功耗设备(如电子开关)
- 推荐方案:直接驱动电路。
- 示例:3.3V MCU控制5V MOS管开关小型继电器。
- 中频电机控制(如无人机电调)
- 推荐方案:推挽驱动电路或集成驱动芯片(如IR2104)。
- 示例:PWM频率50kHz的无刷电机调速。
- 高频开关电源(如DC-DC转换器)
- 推荐方案:专用驱动芯片(如LM5114)。
- 示例:500kHz降压转换器中的同步整流MOS管驱动。
- 工业逆变器(如太阳能逆变器)
- 推荐方案:隔离驱动电路(光耦+变压器)。
- 示例:600V IGBT驱动,需与控制电路隔离。
- 大功率H桥(如电动汽车驱动)
- 推荐方案:半桥驱动芯片(如IR2184)。
- 示例:100A电流的电机正反转控制。
五、设计注意事项
- 栅极电阻选择
- 电阻值过小:导致开关速度过快,引发电压振荡;
- 电阻值过大:增加开关损耗,降低效率。
- 经验值:通常选择2-10Ω(根据MOS管Qg参数计算)。
- 死区时间控制
- 半桥/全桥电路中,上下管切换需插入死区时间(通常50-500ns),防止直通短路。
- 散热设计
- 高频驱动芯片需考虑散热(如添加铜箔或散热片)。
- 布局优化
- 驱动回路尽量短,减少寄生电感;
- 高压与低压区域明确隔离。
六、常见问题与解决
| 问题 | 可能原因 | 解决方案 |
|---|---|---|
| MOS管发热严重 | 开关速度慢导致损耗过高 | 降低栅极电阻或换用高速驱动芯片 |
| 驱动芯片输出异常 | 自举电容容量不足或失效 | 更换低ESR电容并验证容量 |
| 半桥电路直通烧毁 | 死区时间设置过短 | 调整PWM控制器死区参数 |
| 光耦驱动信号延迟大 | 光耦响应速度不足 | 换用高速光耦(如6N137) |
MOS管驱动电路的选择需围绕功率等级、开关频率、隔离需求、成本预算四大核心因素:
- 小功率低频场景:直接驱动或推挽电路性价比最优。
- 高频高压系统:专用驱动芯片可兼顾速度与可靠性。
- 强干扰环境:隔离驱动电路是保障稳定性的必要选择。
- 大功率桥式拓扑:半桥驱动芯片需配合严谨的死区控制和散热设计。
实际应用中,建议通过示波器观测栅极电压波形(如上升时间、振荡幅度)来验证驱动性能,避免因驱动不足导致MOS管过热或损坏。
免责声明:文章内容来自互联网,本站不对其真实性负责,也不承担任何法律责任,如有侵权等情况,请与本站联系删除。
转载请注明出处:MOS管驱动电路的类型与各自优缺点 https://www.yhzz.com.cn/a/24385.html